金牌會員
已認證
一、前言
氣力輸送技術已有100多年的發展歷史,早在1810年就提出了氣力輸送方案,1824年Vallanse最先建立了粉體氣力輸送實驗裝置。只是試驗并沒有真實使用工業的生產制造,在1853年在歐洲的大型碼頭上首次出現使用氣力運送設備用于貨船的裝卸貨物。
但由于技術和工藝水平的限制,直到20世紀30年代氣力輸送技術才日益受到人們的青睞。在國內隨著國民經濟的快速發展以及國家對環境保護的要求越來越高,20年來氣力輸送技術特別是正壓密相輸送技術發展迅速,已經在許多行業得以廣泛應用。但因物料在氣力輸送管道中流動狀況的復雜多變性、物料物性、輸送氣量、 零部件性能、倉泵給料狀況等因素影響,氣力輸送系統需要額外補氣措施現象時有發生,本文對正壓氣力輸送系統運行過程中產生的補氣措施利弊進行了分析,以對系統穩定運行、能耗控制有所幫助。
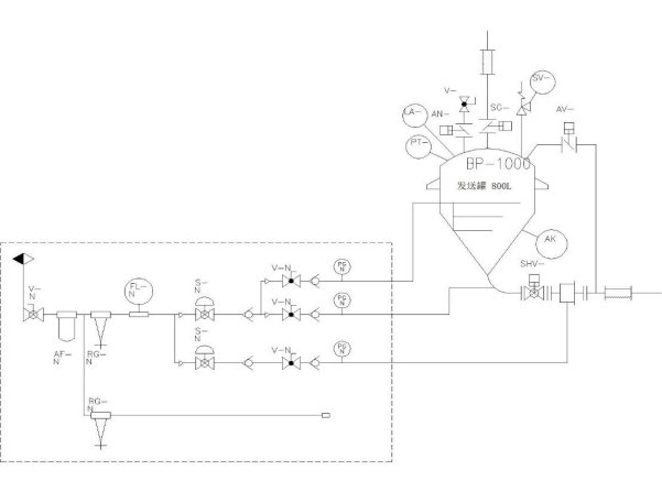
二、氣力輸送系統工作原理
氣力輸送也稱為氣流輸送,運用風機或空壓機在封閉的管路內形成氣流來輸送散料物料。氣力輸送是一項綜合性技術,它涉及流體力學、材料科學、自動化技術、制造技術等領域,屬輸送效率高、占地少、經濟而無污染的高新技術項目。隨著我國經濟的快速發展,各行各業的生產也在不斷擴大,有些行業如新能源電池制造、火力發電廠、化工廠、水泥廠、制藥廠、糧食加工廠等的一些原材料、粉粒料在輸送生產工程中產生的環境污染越來越得到廣泛的重視。氣力輸送技術于是得到了逐步的推廣。氣力輸送是清潔生產的一個重要環節,它是以密封式輸送管道代替傳統的機械輸送物料的一種工藝過程,是適合散料輸送的一種現代物流系統。將以強大的優勢取代傳統的各種機械輸送。
三、氣力輸送系統分類
1、吸送式: 也稱為真空上料機,工作原理吸送氣力輸送一般用羅茨真空泵作動力源,將管路及罐式倉抽成一定的真空狀態,促成進風口在大氣壓的作用下形成物料粉粒料與氣體的兩相流,經輸送管道輸入旋風分離器。兩相流在旋風分離器內由于離心力及重力作用下,使大部分物料與氣體分離。少量的物料與氣體進入除塵器,通過濾袋作用使粉料與氣體分離。氣體排入大氣。
2、壓送式:壓送式分兩種,發送罐式密相輸送及高壓旋轉閥式密相或稀相輸送,工作原理: 由于高壓氣體的作用,物料從發送罐/高壓旋轉閥進入輸送管,壓縮氣體經電磁閥的開閉形成脈沖氣流,當脈沖氣流壓力大于發送罐壓力時,氣流將物料切割成料,依靠料栓前后的靜壓差作推動力,將物料推向前進,到達分離裝置實施料氣離后,物料落入料倉,氣體排入大氣,實現輸送。
· 正壓氣力輸送機特點:
1、輸送速度較小,1-15m/s,對物料、管路的磨損少;
2、控制自動化程度高;
3、輸送路程長,可以達1000m以上,無補氣措施;
4、有效保護物料顆粒完整度,低破碎比;
5、固氣比高,可達到20~40以上 ;
6、輸送能力強,可達200T/h;
7、清潔無污染;
8、機械結構簡單、可靠性高、維護成本低;
9、防止物料分層現象;

四、補氣的危害
現如今隨著氣力輸送的廣泛應用對于輸送后物料質量也有了更明確的品質要求,但如果對物料特性在氣送時的參數掌握不夠充分就“無腦”增加補氣口強制性推送我們通過對輸送補氣措施的研究得知補氣后會有以下幾個缺點:
1、耗氣量巨大提升
2、補氣口局部氣流過大導致物料流速過快與管道磨擦產生破損
3、管道內氣壓氣流變大導致物料在接收倉產生的分層現象
4、高速氣流對后端濾網損害和爆粉現象
五、吉泰來科技正壓輸送系統如何做到“無補氣”
1、獨特輸送氣流控制系統
吉泰來在深度掌握日本70年氣送技術基礎上設計了專門的輸送氣流控制裝置,實時監控輸送狀態,通過閥門開關自動調節輸送壓力和流量,保證輸送過程穩定、順暢、無堵塞,200米內無補氣。

2、國內獨家輸送設計輔助軟件量身定制輸送參數
有超過50年的技術沉淀及數據積累,累計測試物料種類10000+。 有專業輸送實驗室從事粉體輸送研究,經過反復試驗論證目前可使氣力輸送距離最遠至2000米。

3、為驗證各項參數及最低能耗比在軟件計算的同時,公司內部試驗線孕育而生,可隨時為客戶提供定制化參數驗證從而使客戶產線設計參數更合理能耗更加合理。

吉泰來通過獨有輸送設計軟件控制補氣點設置,軟件與硬件雙向保障,不做“大車攆小馬”“大水漫灌”無故無序增加補氣裝置,增加設備成本及運行成本,降低磨耗率提高產品品質,助力鋰電事業降本增效。不斷研究孤注一擲,吉泰來讓粉體輸送更科學!


