白金會員
已認證
鉻是我國重要的戰略性礦產資源,具有耐高溫、耐磨、耐腐蝕等優點,被廣泛應用于冶金、耐火材料和化學工業。雖然世界鉻鐵礦資源總體上較為豐富,資源總量超120億噸,但分布極不均衡。
資源分布
中國鉻鐵礦資源十分緊缺,探明的鉻鐵礦儲量僅占世界總儲量的0.825%,主要集中在西藏、新疆、甘肅、內蒙古4個省(自治區),該四省(自治區)的保有儲量占全國總保有儲量的80%以上。

國外鉻鐵礦礦床主要以巖漿早期(分凝)礦床為主,易形成延伸穩定、規模巨大的礦體,而中國則幾乎全部為巖漿晚期礦床,形成的礦體形態復雜、分散、規模小。
中國鉻鐵礦資源貧礦多、富礦少,富礦與貧礦的比例約為3:7,除極少數礦床 Cr2O3含量達40%,鉻鐵比大于2.5之外,多數礦床Cr2O3含量及鉻鐵比均很低,礦石產量和質量遠遠滿足不了國內需求。西藏羅布莎鉻鐵礦是具有工業價值的大型鉻鐵礦床,隨著高品位鉻鐵礦的開采殆盡,高效開發利用低品位鉻鐵礦資源顯得尤為重要。
理化性質
主要用途
在冶金工業上,鉻鐵礦主要用來生產鉻鐵合金和金屬鉻。鉻鐵合金作為鋼的添加料生產多種高強度、抗腐蝕、耐磨、耐高溫、耐氧化的特種鋼,如不銹鋼、耐酸鋼、耐熱鋼、滾珠軸承鋼、彈簧鋼、工具鋼等。金屬鉻主要用于與鈷、鎳、鎢等元素冶煉特種合金。
這些特種鋼和特種合金是航空、宇航、汽車、造船,以及國防工業生產槍炮、導彈、火箭、艦艇等不可缺少的材料。
在耐火材料上,鉻鐵礦用來制造鉻磚、鉻鎂磚和其他特殊耐火材料。

礦物分類
高鉻鉻鐵礦(冶金用):含Cr2O3 48%以上,Cr2O3 /FeO比值大。 高鐵鉻鐵礦(化工用):含Cr2O3 50%以上,含SiO2、Al2O3少。 高鋁鉻鐵礦(耐火材料用):含Cr2O3 30%~35%,含Al2O3、MgO多。
選別方法
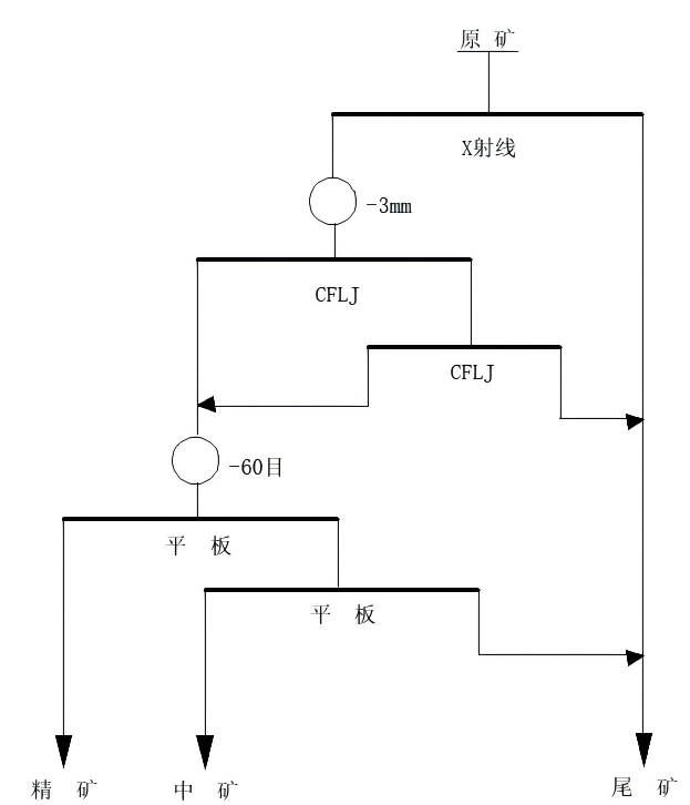
重選法:鉻鐵礦礦石多呈塊狀、條狀和斑狀粗粒浸染狀態,且密度較大,利用礦物間密度的差異,可用螺旋溜槽、跳汰、搖床、離心機等重選設備進行分選。 磁選法:鉻鐵礦具弱磁性,可采用弱磁、強磁選分選。 浮選法:浮選法是選別微細粒鉻鐵礦的主要方法,一般在重選和強磁選處理效果都不好的情況下考慮采用,多采用陰離子捕收劑和陽離子捕收劑浮選。 南非某鉻鐵礦選礦試驗案例 方案一 原礦經X射線分選,精礦破至-3mm經CFLJ一粗一掃選,粗掃精混合后磨至-60目,經平板一粗一掃選。試驗流程見圖1,試驗結果見表1。
圖1 選礦試驗流程

表1 選礦試驗結果
原礦經X射線分選,精礦破至-3mm經CFLJ一粗一掃選,粗掃精混合后磨至-60目,經平板粗選,得到產率22.11%、Cr2O3 40.95%、回收率36.91%的精礦產品,尾礦再經平板掃選,得到產率16.63%、Cr2O3 35.59%、回收率24.13%的中礦產品。

方案二 原礦經X射線分選,精礦破至-3mm經CFLJ一粗一掃選,粗掃精混合后磨至-60目經平板磁選+溜槽重選。試驗流程見圖2,試驗結果見表2。

圖2 選礦試驗流程

表2選礦實驗結果
原礦經X射線分選,精礦破至-3mm經CFLJ一粗一掃選,粗掃精混合后磨至-60目,經平板磁選,尾礦再經溜槽重選,得到產率38.29%、Cr2O3 40.94%、回收率63.90%的精礦產品。
應用現場






