白金會員
已認證
粉體的流動性的評價和測試方法
粉體的流動性(flowability)與粒子的形狀、大小、表面狀態、密度、空隙率等有關,加上顆粒之間的內摩擦力和粘附力等的復雜關系,粉體的流動性無法用單一的物性值來表達。然而粉體的流動性對顆粒劑、膠囊劑、片劑等制劑的重量差異影響較大,是保證產品質量的重要環節。粉體的流動形式很多,如重力流動、振動流動、壓縮流動、流態化流動等,相對應的流動性的評價方法也有所不同,當定量地測量粉體的流動性時最好采用與處理過程相對應的方法,表1列出了流動形式與相應流動性的評價方法。
表1 流動形式與其相對應的流動性評價方法
種 類 | 現象或操作 | 流動性的評價方法 |
重力流動 | 瓶或加料斗中的流出 | 流出速度,壁面摩擦角 |
振動流動 | 振動加料,振動篩 | 休止角,流出速度, |
壓縮流動 | 壓縮成形(壓片) | 壓縮度,壁面摩擦角 |
流態化流動 | 流化層干燥,流化層造粒 | 休止角,最小流化速度 |
(一)流動性的評價與測定方法
1.休止角
休止角(angle of repose)是粉體堆積層的自由斜面與水平面形成的最大角。常用的測定方法有注入法,排出法,傾斜角法等,如圖1所示。休止角不僅可以直接測定,而且可以測定粉體層的高度和圓盤半徑后計算而得。即tanθ=高度/半徑。

圖1 休止角測定示意圖
休止角是粒子在粉體堆體積層的自由斜面上滑動時所受重力和粒子間摩擦力達到平衡而處于靜止狀態下測得,是檢驗粉體流動性的好壞的最簡便的方法。休止角越小,摩擦力越小,流動性越好,一般認為θ≤40°時可以滿足生產流動性的需要。粘附性粉體(sticky powder) 或粒子徑小于100~200μm以下粉體的粒子間相互作用力較大而流動性差,相應地所測休止角較大。值得注意的是,測量方法不同所得數據有所不同,重現性差,所以不能把它看作粉體的一個物理常數。
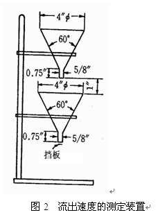
2.流出速度
流出速度(flow velocity)是將物料加入于漏斗中測定全部物料流出所需的時間來描述,測定裝置如圖2所示。如果粉體的流動性很差而不能流出時加入100μm的玻璃球助流,測定自由流動所需玻璃球的量(w%),以表示流動性。加入量越多流動性越差。

3.壓縮度
壓縮度(compressibility)將一定量的粉體輕輕裝入量筒后測量最初松體積;采用輕敲法(tapping method)使粉體處于最緊狀態,測量最終的體積;計算最松密度ρ0與最緊密度ρf;根據公式12-31計算壓縮度c。

圖3 輕敲測定儀
壓縮度是粉體流動性的重要指標,其大小反映粉體的凝聚性、松軟狀態。壓縮度20%以下時流動性較好,壓縮度增大時流動性下降,當C值達到40%~50%時粉體很難從容器中自動流出。
4.內部摩擦系數μ
(二)流動性的影響因素與改善方法
1.適當增加粒徑
2.控制粉粒濕度
3.加入潤滑劑
4. 粒子形態及表面粗糙度


